Оптико-электронный дымовой пожарный извещатель ИП 212-90 («Один дома – 2»)
Оптико-электронный дымовой пожарный извещатель ИП 212-90 («Один дома-2») – это оборудование, которое может обеспечить подачу тревожных сигналов при задымленности в помещении.
Рекомендуемые объекты:

• габариты – 86x41мм.;
• вес – не выше 0,1 кг;
• энергоснабжение – 9-28В;
• параметры тока потребления – 130 мкА;
• показатели инерционности – не выше 5 с;
• уровень чувствительности – 0,05-0,2 дБ/м;
• параметры тока в режиме «Пожар» – 22мА;
• значения рабочего температурного диапазона – от –30°С до +70°С;
• нормативный период функционирования – 10 лет;
• гарантийный период – 5 лет.
Оптико-электронный дымовой извещатель ИП 212-90 («Один дома – 2») предназначен для формирования тревожных сигналов при повышении уровня задымленности в помещении. Устройство обнаруживает возгорание на этапе тления. Использование дымовых извещателей ИП 212-90 обеспечивает своевременную эвакуацию людей из здания в чрезвычайной ситуации, позволяет предотвратить развитие пожара на ранней стадии.
Особенности модели
Функция самотестирования. Извещатели «Один дома – 2» обеспечивают непрерывную работоспособность системы сигнализации. Устройства имеют встроенную интеллектуальную функцию самотестирования. Они регулярно контролируют работу всех основных узлов. Если один из элементов неисправен или сильно запылен, извещатель формирует соответствующий сигнал и выводит информацию на экран. Функция самотестирования позволяет вовремя замечать и устранять неполадки. Уровень безопасности на объекте значительно повышается.
Экономичность. Дымовой оптико-электронный пожарный извещатель включает все компоненты, необходимые для полноценной работы. Дополнительные датчики не потребуются. Значительно сокращаются расходы на покупку, монтаж и обслуживание оборудования.
Преимущества извещателей ИП 212-90
- Совместимость с другими компонентами систем. Извещатели «Один дома – 2» могут контролировать включение и выключение технических средств тушения огня, работать с другой аппаратурой.
- Самонастройка чувствительности. В оборудовании используются строго выверенные алгоритмы обработки информации. Устройства обрабатывают данные и могут самостоятельно исключать ложные сигналы, спровоцированные сигаретным дымом или воздействием пыли.
- Эффективная работа. Извещатели 212-90 устанавливают по одному в помещении. Такого количества датчиков достаточно для раннего обнаружения задымления.
- Раздельная индексация. В зависимости от причины срабатывания дымовой оптико-электронный пожарный извещатель подает определенный сигнал: «Норма», «Неисправность», «Запыленность» или «Пожар».
- Обработка информации в микропроцессоре. За счет этого устройство характеризуется высокой чувствительностью.
Конструктивные особенности извещателя «Один дома – 2»
- Встроенный резистор для подачи сигналов «Пожар1/Пожар2».
- Контроль оптической плотности воздуха с высокой точностью показаний.
- Наличие лабиринтного пылевого фильтра.
- Функция компенсации запыленности.
- Цифровая обработка сигнала.
- Инновационная функция очистки дымовой камеры.
- Система компенсации запыленности дымовой камеры.
- Световой индикатор кругового обзора.
- Возможность размещения оптической дымовой камеры.
- Компактные размеры корпуса.
- Самодиагностика основных узлов и дымовых каналов.
- Два режима ручного контроля: «Пожар» и «Неисправность».
- Взаимодействие с приемно-контрольными аппаратами любого типа.
- Возможность анализа запыленности дымовой камеры с помощью тестера ТЗИ-90.
Конкурентные преимущества извещателя ИП 212-90
- Высокий уровень надежности пожарной сигнализации со стандартной приемно-контрольной аппаратурой на объектах любой категории.
- Минимальное число ложных срабатываний.
- Удобство установки и сервисного обслуживания.
- Очистка дымовой камеры без разборки извещателя.
- Эстетичный внешний вид для установки в жилых и коммерческих интерьерах.
- Увеличенный межсервисный интервал за счет надежной защиты датчика от пыли и мелких насекомых.
- Автоматический контроль работоспособности устройства.
Чтобы заказать дымовые извещатели «Один дома – 2», оставьте заявку на нашем сайте.
- 1) 100% предоплата.
- 2) Для юридических лиц: безналичный перевод, по реквизитам указанным в выставленном счете.
- 3) Для физических лиц: оплата наличными возможна при покупке продукции в офисе компании, путем оплаты ее в Сбербанке России.
- 1) Для юридических лиц:
- Самовывоз со склада компании. Для получения заказа представителю организации необходимо иметь: надлежащим образом оформленную доверенность на право получения материальных средств, или печать организации и доверенность на право подписи от лица руководителя организации.
- Доставка продукции возможна транспортными компаниями: Деловые линии, ПЭК или любой удобной Вам. Вы можете самостоятельно заказать любую транспортную или курьерскую службу с забором груза со склада после согласования с Вашим менеджером. - 2) Для физических лиц:
- Самовывоз со склада компании. Для получения заказа необходимо будет предъявить паспорт гражданина Российской Федерации.
- Курьерская доставка по Москве.
- Доставка транспортными компаниями, либо курьерскими службами.
Охранно-пожарные сигнализации и другая продукция компании «ЮНИТЕСТ» получила все требуемые сертификаты. Базовые устройства и вспомогательное оборудование обладают значительным рабочим ресурсом. При выполнении правил эксплуатации такие системы пожарной сигнализации прослужат более 10 лет. Кабели способны сохранять свои параметры в течение 20 лет. Мы даем гарантию на все разновидности продукции:
- 10 лет на охранно-пожарную сигнализацию «Минитроник»;
- 5 лет на пожарные извещатели «Один дома-2»;
- 2 года на адресно-аналоговую систему «Юнитроник» − «Минитроник А32»;
- 2 года на шлейфовое управляющее устройство «УШУ-1».
Гарантийный срок эксплуатации и хранения продукции в упаковке от 2-х до 10-ти лет со дня изготовления.
Гарантийное обслуживание и ремонт производятся ООО Торговый Дом «ЮНИТЕСТ», Россия, 105523, г.Москва, ул. 15-я Парковая, д. 46Б.
| Схемы подключения извещателей ИП212-90 («Один дома – 2») |

Габаритные и установочные размеры извещателя ИП 212-90 "ОДИН ДОМА"
Схемы подключения извещателя

Схема включения извещателя в однопороговый шлейф сигнализации с формированием извещения "ПОЖАР" – прямое включение извещателя через клемму «1»:
а) для ПКП с однополярными ШС; б) для ПКП со знакопеременными ШС типа "Минитроник 8/24".

Схема включения извещателя в двухпороговый шлейф сигнализации с формированием извещений "ВНИМАНИЕ" и "ПОЖАР":
а) для ПКП с однополярными ШС типа "Сигнал-20П", "Сигнал 20П SMD", "ВЭРС", "Гранит", адресных меток системы "Юнитроник" – включение через клемму «2» со встроенным дополнительным резистором;
б) для других ПКП с однополярными ШС (номинал резистора Rдоб. устанавливается в соответствии с описанием ПКП);
в) для ПКП со знакопеременными ШС типа "Минитроник 8/24".

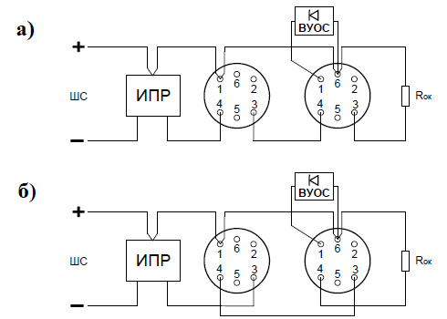
Схема включения извещателя с ВУОС в двухпороговый шлейф сигнализации с формированием извещений "ВНИМАНИЕ" и "ПОЖАР":
а) для ПКП с однополярными ШС типа "Сигнал-20П", "Сигнал 20П SMD", "ВЭРС", "Гранит", адресных меток системы "Юнитроник" – включение через клемму «2» со встроенным дополнительным резистором;
б) для других ПКП с однополярными ШС резистор R1 устанавливается последовательно с ВУОС с использованием дополнительного контакта в позиции "6". Номинал резистора R1, рекомендованный производителем ПКП, необходимо уменьшить на эквивалентное сопротивление ВУОС (примерно 300 Ом);
в) для ПКП со знакопеременными ШС типа "Минитроник 8/24".

Схемы включения извещателя с ВУОС в двухпороговый шлейф сигнализации с подключением нескольких извещателей к одному ВУОС:
а) для ПКП типа "Сигнал-20П", "Сигнал 20П SMD", "ВЭРС", "Гранит", адресных меток системы "Юнитроник";
б) для ПКП со знакопеременными ШС типа "Минитроник 8/24".
C этим товаром покупают



.png)

