Модуль адресный А16-УПТ
Цена: 14421 руб.
• информативность модуля (норма, автоматика включена, автоматика выключена, пуск, пуск остановлен, пуск произведен, дверь открыта, КЗ/обрыв цепи управления табло, КЗ/обрыв шлейфа двери, замыкание считывателя, нет питания, нет 220 В, нет связи);
• количество датчиков дверей в шлейфе – 6;
• количество ключей ТМ – 40;
• удаление считывателя – 20 м;
• контакты реле «Пуск» выдерживают ток:
- при прямом питании, импульсное включение реле на 3 сек – 3А,
- при конденсаторном питании (импульсное включение на 50 мс) – 1А;
• выходы ОК световых табло выдерживают ток – 400 мА;
• звуковое давление сирены на расстоянии 1 м – 85 дб;
• напряжение питания модуля – 9,5-28 В;
• потребляемый ток в дежурном режиме, не более 20 мА;
• потребляемый ток в режиме пуска, не более 50 мА;
• габаритные размеры – 170×140×44 мм.
Модуль адресный для управления одним направлением пожаротушения газового, аэрозольного и порошкового. Контроль шлейфа управления на КЗ и обрыв. Табло управления «Автоматика выключена», «Автоматика включена», «Порошок (Газ, Аэрозоль) не входи», «Порошок (Газ, Аэрозоль) уходи» с контролем на КЗ и обрыв. Оповещатель звука (сирена) встроенного типа. Контроль дистанционного пульта. Контроль шлейфа датчика открытия двери. Питание составляет 12/24В. Память – 40 ключей Touch Memory. Развязка информационной линии оптическая.
| Особенности: |
|
• модуль управляет средствами объектового светового оповещения (4 световых табло), встроенной сиреной, шлейфом с модулями пожаротушения, контролирует датчик открытия двери помещения, считыватель ключей Touch Memory для включения / выключения автоматического режима работы установки и кнопку дистанционного пуска автоматики пожаротушения; |
- 1) 100% предоплата.
- 2) Для юридических лиц: безналичный перевод, по реквизитам указанным в выставленном счете.
- 3) Для физических лиц: оплата наличными возможна при покупке продукции в офисе компании, путем оплаты ее в Сбербанке России.
- 1) Для юридических лиц:
- Самовывоз со склада компании. Для получения заказа представителю организации необходимо иметь: надлежащим образом оформленную доверенность на право получения материальных средств, или печать организации и доверенность на право подписи от лица руководителя организации.
- Доставка продукции возможна транспортными компаниями: Деловые линии, ПЭК или любой удобной Вам. Вы можете самостоятельно заказать любую транспортную или курьерскую службу с забором груза со склада после согласования с Вашим менеджером. - 2) Для физических лиц:
- Самовывоз со склада компании. Для получения заказа необходимо будет предъявить паспорт гражданина Российской Федерации.
- Курьерская доставка по Москве.
- Доставка транспортными компаниями, либо курьерскими службами.
Охранно-пожарные сигнализации и другая продукция компании «ЮНИТЕСТ» получила все требуемые сертификаты. Базовые устройства и вспомогательное оборудование обладают значительным рабочим ресурсом. При выполнении правил эксплуатации такие системы пожарной сигнализации прослужат более 10 лет. Кабели способны сохранять свои параметры в течение 20 лет. Мы даем гарантию на все разновидности продукции:
- 10 лет на охранно-пожарную сигнализацию «Минитроник»;
- 5 лет на пожарные извещатели «Один дома-2»;
- 2 года на адресно-аналоговую систему «Юнитроник» − «Минитроник А32»;
- 2 года на шлейфовое управляющее устройство «УШУ-1».
Гарантийный срок эксплуатации и хранения продукции в упаковке от 2-х до 10-ти лет со дня изготовления.
Гарантийное обслуживание и ремонт производятся ООО Торговый Дом «ЮНИТЕСТ», Россия, 105523, г.Москва, ул. 15-я Парковая, д. 46Б.

Габаритные и установочные размеры модуля УПТ.

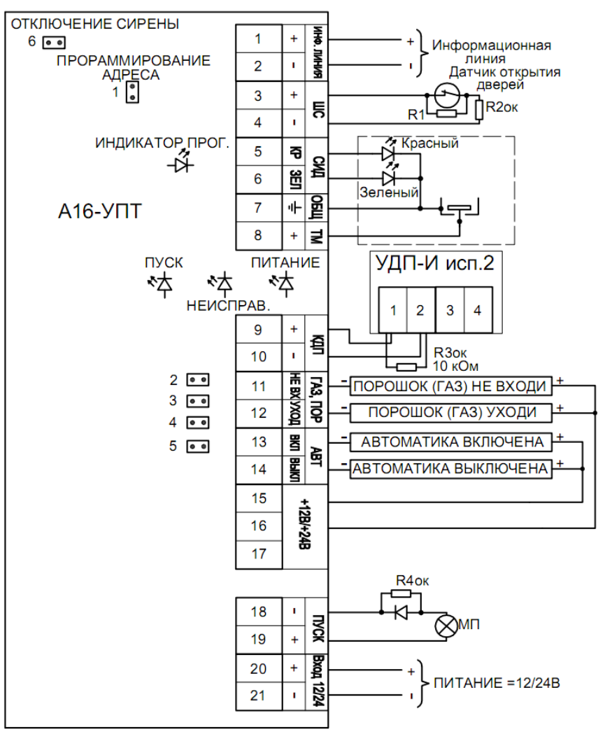
Схема подключения модуля пожаротушения ("МП") и устройств оповещения к модулю УПТ. Номиналы резисторов (0,25Вт, 5%):
R1 = 2,2кОм; R2ок = 560 Ом; R3ок = R4ок = 10 кОм.
Диод марки 1N5822, SR540 или аналогичный.
Для некоторых марок табло необходимо устанавливать концевой резистор 10кОм (0,25Вт, ±5%) во избежание сообщений «Обрыв табло».

Схема подключения нескольких модулей пожаротушения ("МП") к А16-УПТ, контроль цепей модулей пожаротушения не обеспечивается.

Схема подключения модулей пожаротушения ("МП") с контролем исправности цепи каждого модуля. R4ок= 10 кОм (0,25Вт, ±5%).
При количестве модулей А16-МАУ более 4-х резистор R4ок допускается не устанавливать.

Схема подключения модулей пожаротушения ("МП") с контролем исправности цепи каждого модуля и с веерным включением модулей.
C этим товаром покупают




.png)

